MHC-1060AR全自動熱壓平壓平模切機(重型、深壓紋)是紙盒、紙箱、商標等各種紙質包裝裝潢用品具有熱壓(深壓紋)模切壓痕兩用功能、冷壓凹凸的關鍵設備。
本機采用高精度間歇結構,氣動鎖版、氣動離合、過載保護、自動調壓等獨特的傳動機構設計,確保設備高速平穩運行。同時本機裝備有預碼紙機構、副收紙機構、手動取樣等實用可靠的機構,使本機在使用過程中可充分發揮工作效率。本機電器元件和傳動元件采用國際知名品牌,確保使用過程的模切精度和運轉可靠性。采用人機界面檢測設備工作狀況、顯示故障位置、排除方法及相關幫助信息,充分實現人機交流。


高速送紙飛達頭,可根據紙張情況自由調整。

采用氣彈簧輔助動力,到位減速機構裝置,與壓紙框配備整體調節壓紙輪裝置,方便快速調節。

進口高精度間歇分割器,長期使用也能保證較高的定位精度。

20 溫區獨立控制系統,有效控制加熱板的加熱溫度。確保整個加熱系統溫度控制更加均衡、穩定。最大熱壓壓力可達600噸。

自動泵油循環冷卻裝置,確保主機長時間高速運轉的潤滑,保持主機潤滑油正常溫度。

無需任何操作,主、副收紙裝置自動切換,大大提升工作效率。

整機采用集中自動供油系統,確保傳動部位不缺油。
| 輸紙部 | MHC-1060AR |
| 01、不停機高速送紙部 | 〇 |
| 02、魚鱗式強力吸紙飛達頭,4 吸 4 送,吸頭可配合紙張的變形狀況調試各種吸紙角度 | 〇 |
| 03、可調式吸風筒,吸頭及分氣閥超硬合金處理 | 〇 |
| 04、3 道飛達頭防撞裝置 | 〇 |
| 05、橫向分紙吹風裝置 | 〇 |
| 06、主、副堆紙臺不停車交替,飛達不停機操作 | 〇 |
| 07、主給紙堆電動左右微調裝置 | 〇 |
| 08、預堆紙裝置配置軌道使操作人員可準確方便地將紙堆送入飛達 | 〇 |
| 09、紙張對位調節裝置,能夠在不停機的狀態下對紙張到達前規距離進行手動調整 | 〇 |
| 10、大斜面輸紙臺,適合于薄紙與彎曲紙張的高速輸送 | 〇 |
| 11、推拉兩用側規,操作側、傳動側各一套。側規可在推拉規間調節以滿足不同紙張需求 | 〇 |
| 12、側規、前規紙張光電檢測 | 〇 |
| 13、紙張輸送到前規減速機構 | 〇 |
| 14、機電式雙張檢測器 | 〇 |
| 15、進口輸紙皮帶及不銹鋼傳送板 | 〇 |
| 16、輸紙框氣動抬起裝置 | 〇 |
| 17、單點離合器:輸送部與主機部能夠隨時分離和同步結合,簡化和方便了操作順序。無論打樣、試壓力等都能隨心所欲地分離及合上輸送部 | 〇 |
| 18、PLC 及電子凸輪控制整機的時序 | 〇 |
| 19、德國貝克品牌吹吸兩用真空泵 | 〇 |
| 模切部 | |
| 01、整機鑄件采用QT-700-2球墨鑄鐵 | 〇 |
| 02、進口蝸輪,蝸桿與 40cr 曲軸 | 〇 |
| 03、整套進口陽極處理鋁合金牙排及定位結構,每條牙排采用可調式牙排結構 | 〇 |
| 04、進口主傳動鏈條 | 〇 |
| 05、進口間歇分割器 | 〇 |
| 06、進口同步帶、帶輪傳動 | 〇 |
| 07、主傳動進口氣動離合器剎車裝置 | 〇 |
| 08、壓力自動調節裝置,可通過PLC觸摸屏按鍵實現壓力的準確控制 | 〇 |
| 09、模切壓力采用變形測量器直接精確測量,并在人機界面上顯示 | 〇 |
| 10、模切底板和刀模板回轉裝置 | 〇 |
| 11、模切刀版與模切板框的聯接采用抓釘螺母和螺絲形式,裝入時采用中央定位系統,換版快捷、準確 | 〇 |
| 12、模切板框和模切下墊板采用日本SMC氣量調節器鎖定,避免上板框鎖定安裝不到位的情況,有效避免人為因素操作造成的損失 | 〇 |
| 13、日本SMC氣壓檢測裝置,氣壓過低報警提示 | 〇 |
| 14、配備儲氣罐,確保整機氣壓穩定 | 〇 |
| 15、20溫區獨立控制系統,有效控制加熱板的加熱溫度,確保整個加熱系統溫度控制更加均衡、穩定 | 〇 |
| 16、整機采用集中自動供油系統,確保傳動部位不缺油 | 〇 |
| 17、自動泵油循環冷卻裝置,確保主機長時間高速運轉的潤滑,保持主機潤滑油正常溫度 | 〇 |
| 收紙部 | |
| 01、卷簾式輔收紙架,可實現不停機收紙 | 〇 |
| 02、可調機械式收紙毛刷壓紙機構,幫助牙排卸紙并堆疊 | 〇 |
| 03、收紙齊紙裝置 | 〇 |
| 04、上下極限開關光電檢測,防止收紙臺堆紙過高和紙張上卷 | 〇 |
| 05、收紙雙向輔助吹風,手動取樣機構,操作方便 | 〇 |
| 06、彈簧鏈條調節裝置,調節彈簧鏈條漲緊后,可減少牙排轉向的慣量沖擊,并保持鏈條的均衡漲緊度 | 〇 |
| 電氣部 | |
| 01、自主研發的PLC控制系統 | 〇 |
| 02、模切部采用10.4英寸觸摸顯示屏 | 〇 |
| 03、整機采用德國Moeller的繼電器、交流接觸器、空氣開關和按鈕,保證了電器部分的穩定和可靠 | 〇 |
| 04、整機采用日本歐姆龍Omron的光電開關,光纖,編碼器和傳感器,確保電氣檢測各部位動作的準確和穩定 | 〇 |
注:此配置單只供參考,正式配置單以合同為準。標配:〇;選配:△
| 型號 | MHC-1060AR |
| 最大用紙幅面 | 1080×780mm |
| 最小用紙幅面 | 400×350mm |
| 最大模切幅面 | 1060×760mm |
| 最大熱壓幅面 (凹凸/深壓紋) | 1060×760mm |
| 叼口空白 | 9-17mm |
| 刀線高 | 23.8mm |
| 板框內版尺寸 | 1120×786mm |
| 紙張規格 | 80~2000g/m2 卡紙,0.1~2mm 卡紙,≤4mm 瓦楞紙 |
| 模切精度 | ≤±0.1mm |
| 熱壓精度 (凹凸/深壓紋) | ≤±0.1mm |
| 最大工作壓力 | 600T |
| 最大工作速度 | 7500s/h (模切);7500s/h (熱壓) |
| 最大給紙高度 | 1600mm (含木托板) |
| 最大收紙高度 | 1400mm (含木托板) |
| 電加熱系統 | 20溫區,40-180℃可調 |
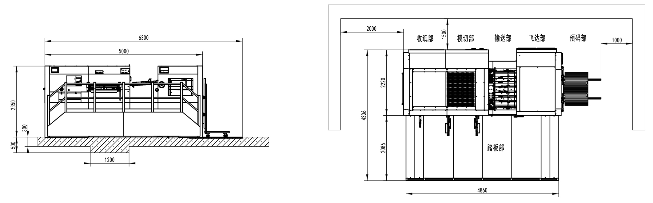
| 整機尺寸 | 6300×4306×2350mm(L×W×H) (長含預上紙軌道;寬含腳踏板) |
| 機器總重 | 19T |
| 主電機功率 | 15kw |
| 滿載功率 | 35kw |
| 氣源要求 | 壓力: 0.6~0.7Mpa,流量: ≥0.37m3/min |
